品牌展示
- YUKEN油研液压
- REXROTH液压泵
- VICKERS液压油泵
- DAIKIN液压油泵
- PARKER液压油泵
- NACHI液压油泵
- DENISON液压油泵
- Marzocchi齿轮泵
- Sumitomo齿轮泵
- Danfoss液压泵
- Berarma叶片泵
- YEOSHE液压泵
- 东京计器液压泵
- SALAMI齿轮油泵
- VIVOIL齿轮油泵
- CASAPPA齿轮泵
- Caproni齿轮油泵
- Bucher齿轮泵
- HESPER齿轮泵
- HYDAC齿轮泵
- Roquet齿轮泵
- Bondioli齿轮泵
- Jihostroj齿轮泵
- Duplomatic迪普马
- METARIS齿轮泵
- ATOS齿轮油泵
- KRACHT齿轮泵
- Brevini齿轮油泵
- RONZIO齿轮泵
- 沃尔沃齿轮泵
- Commercial液压泵
- LINDE液压油泵
- HAWE液压油泵
- Kawasaki液压泵
- 赫格隆液压马达
- 力士乐减速机
- 其他品牌
- 维修服务
最新动态
- 010LD140A0-1-M00-20/12-85-H液压缸,0LD140A0-1-M00-20/12-55-H液压缸
- 02如何选择适合农业机械设备的液压泵?
- 03有哪些品牌的液压泵适用于农业机械设备
- 04Denison丹尼逊T67DBB系列叶片泵技术细节和应用解析
- 05油研YUKEN叶片泵pv2r13-19-94-f-reaa-43型号说明及应用
- 06日本东京计器Tokyokeiki液压柱塞泵型号及参数大全
- 07丹佛斯变量柱塞泵所有的型号,Sauer-Danfoss液压泵
- 08萨奥丹佛斯柱塞泵ERR100、ERR130、ERR147系列参数
- 09MPV系列DANFOSS柱塞泵的应用场景及产品特征

首页Danfoss液压泵产品详情

T90变量柱塞泵75/100 cc/rev
                                        品牌类型:
                                       发布时间: 
                                 
                                    
                                                                        
                                        Danfoss液压泵
                                          
										2025-01-03 16:24:40
                                                                 
                                    
		
温馨提示:由于产品型号太多,网站只能列出部分产品信息。如您在网站中未能找到您需要的型号,请咨询我们的在线客服! 
咨询热线:13686884195、0755-29874345
                            详情介绍
                            
                                丹佛斯T90变量柱塞泵75/100 cc/rev特 点:
·高质量和可靠性的设计
–被验证的最优9柱塞旋转组件
–专用变量斜盘设计
–在成熟90系列技术的基础上加以改进,使之更加适用于 混凝土搅拌车的应用
–高效的集成补油泵
–可选择排量为75/100 cc/rev
·更为小的外形尺寸,并且便于安装
–外形尺寸更加小,给安装带来了较大的自由度
–更高的功率密度
–集成了高压溢流阀
–系统A,B口全部为公制螺纹
–手动控制
·更高的效率
–更高的效率,系统能量损失更少
–能在发动机低速时给系统提供更高的压力
 
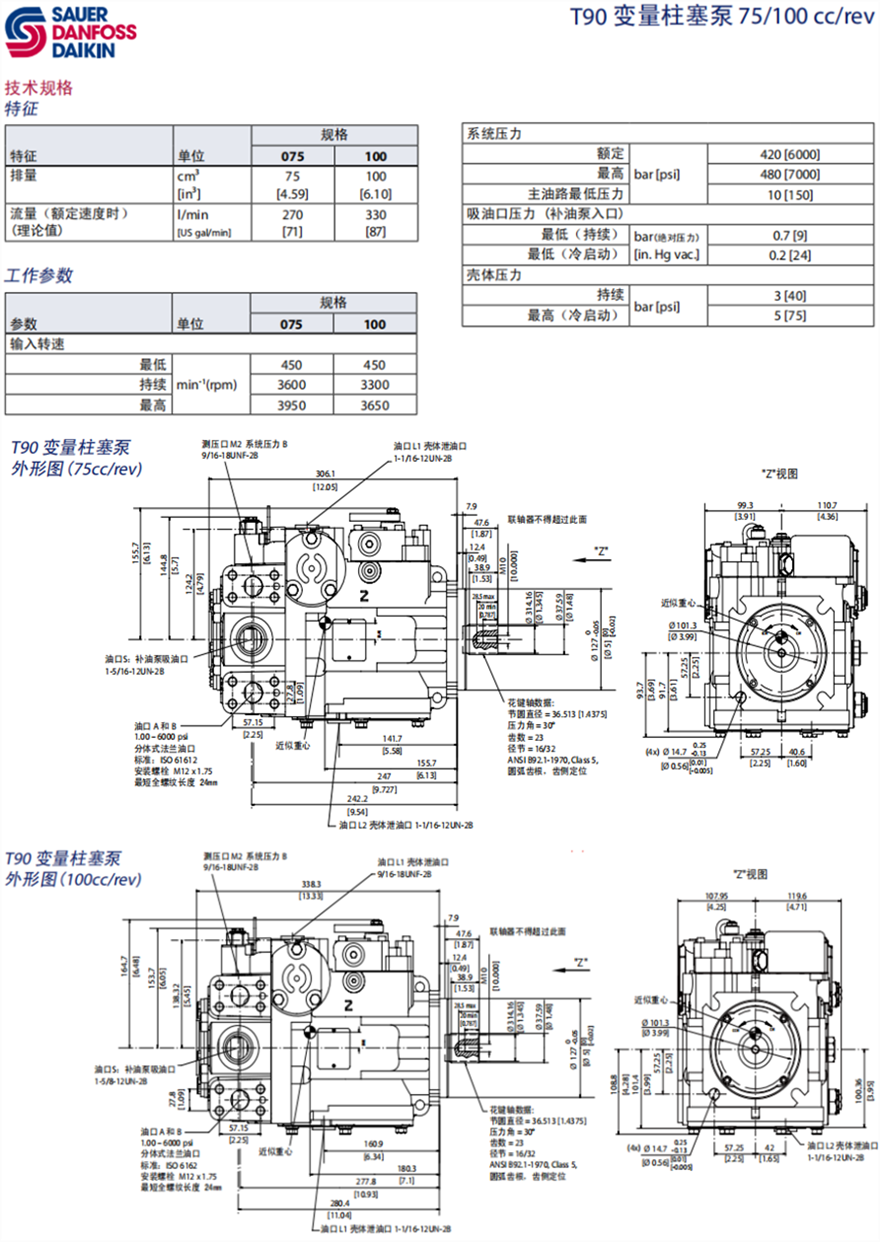
Danfoss丹佛斯T90 变量柱塞泵技术规格及外形图:
  
                            
                                                    ·高质量和可靠性的设计
–被验证的最优9柱塞旋转组件
–专用变量斜盘设计
–在成熟90系列技术的基础上加以改进,使之更加适用于 混凝土搅拌车的应用
–高效的集成补油泵
–可选择排量为75/100 cc/rev
·更为小的外形尺寸,并且便于安装
–外形尺寸更加小,给安装带来了较大的自由度
–更高的功率密度
–集成了高压溢流阀
–系统A,B口全部为公制螺纹
–手动控制
·更高的效率
–更高的效率,系统能量损失更少
–能在发动机低速时给系统提供更高的压力
Danfoss丹佛斯T90 变量柱塞泵技术规格及外形图:

![【港隆液压】液压元件[液压油泵,电磁阀]  一站式服务平台](upload/20210127173032768281.png)





