品牌展示
- YUKEN油研液压
- REXROTH液压泵
- VICKERS液压油泵
- DAIKIN液压油泵
- PARKER液压油泵
- NACHI液压油泵
- DENISON液压油泵
- Marzocchi齿轮泵
- Sumitomo齿轮泵
- Danfoss液压泵
- Berarma叶片泵
- YEOSHE液压泵
- 东京计器液压泵
- SALAMI齿轮油泵
- VIVOIL齿轮油泵
- CASAPPA齿轮泵
- Caproni齿轮油泵
- Bucher齿轮泵
- HESPER齿轮泵
- HYDAC齿轮泵
- Roquet齿轮泵
- Bondioli齿轮泵
- Jihostroj齿轮泵
- Duplomatic迪普马
- METARIS齿轮泵
- ATOS齿轮油泵
- KRACHT齿轮泵
- Brevini齿轮油泵
- RONZIO齿轮泵
- 沃尔沃齿轮泵
- Commercial液压泵
- LINDE液压油泵
- HAWE液压油泵
- Kawasaki液压泵
- 赫格隆液压马达
- 减速机
- 油力顿
- 维修服务
最新动态
- 01Duplomatic轴向柱塞变量泵VPPL-008,VPPL-016型号参数
- 02Duplomatic 液压泵 VPPL 系列:中压开式回路的理想选择
- 03Duplomatic迪普马VPPL系列柱塞泵的控制类型,型号及参数
- 04Duplomatic迪普马柱塞泵VPPM/VPPL系列型号规格
- 05Parker Denison液压泵型号规格的技巧
- 06Parker Denison金杯、首相、世界杯系列液压泵的型号规格
- 07PVB6-LS-20-CVP-12威格士Vickers柱塞泵技术参数
- 08Vickers威格士柱塞泵PVB6-LS-20-CVP-12技术参数
- 09vickers威格士PVQ/PVB/PVM/PVH/PVXS系列液压泵的区别

手机:13686884195
电话:0755-29874345
QQ:2737435508
2737435508@qq.com

CHP1 系列齿轮泵
品牌类型:
发布时间:
HESPER齿轮泵
2025-04-11 14:08:47
温馨提示:由于产品型号太多,网站只能列出部分产品信息。如您在网站中未能找到您需要的型号,请咨询我们的在线客服!
咨询热线:0755-29874345、0755-29874345
详情介绍
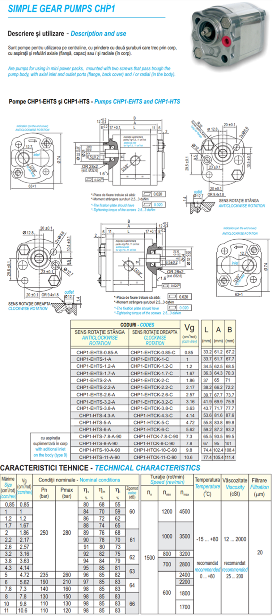
赫思博CHP1 泵:
Vg = 0,85 – 11 ccm/rev
Pres nom = 高达 250 bar
Pres max = 高达 280 bar
是专门用于微型电源组的泵,用两个穿过泵体的螺钉安装,具有轴向入口和出口(在法兰、后盖上)和/或径向(在泵体上)。
HESPER赫思博CHP1 泵型号说明:
注:-Pn:公称压力
-在标称条件下和在0油粘度为30…40 mm/s。
-禁止给泵的驱动轴加载负载在使用过程中为径向或轴向。
-如果您要求的产品配置不在Hesper目录中,请联系我们
HESPER赫思博齿轮泵
Vg = 0,85 – 11 ccm/rev
Pres nom = 高达 250 bar
Pres max = 高达 280 bar
是专门用于微型电源组的泵,用两个穿过泵体的螺钉安装,具有轴向入口和出口(在法兰、后盖上)和/或径向(在泵体上)。
HESPER赫思博CHP1 泵型号说明:

-在标称条件下和在0油粘度为30…40 mm/s。
-禁止给泵的驱动轴加载负载在使用过程中为径向或轴向。
-如果您要求的产品配置不在Hesper目录中,请联系我们
HESPER赫思博齿轮泵






